filters_and_shells
Feed Thru Capacitor
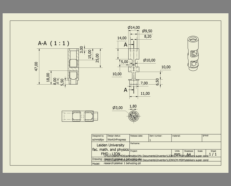
This filter box is used to prolongue the insert connector box to house a feed-thru capacitor and a resistance in series. A ground plane divides the outer part of the experiment to the inner part: the inner part is the filtered one.
Placing a resistance in series to the feed-thru capacitor makes a lower cutoff frequency. I used 5 nF capacitors (from the electronic department) and a 100 Ohm resistor.
This is the design made by Jan-Willelm of the FMD.
On each side there is a cable connector twinax (in this case). On the other side there is a female panel connector: the two boxes have a twinax and a lemo RSA 1F 305
filters_and_shells.txt · Last modified: 2008/04/03 10:38 by edo
